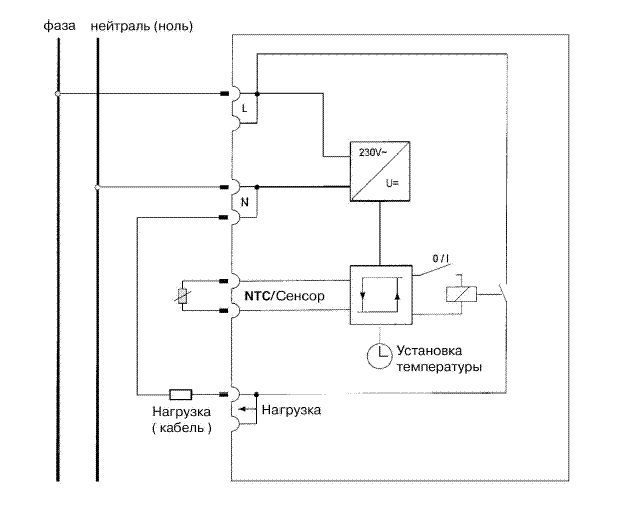
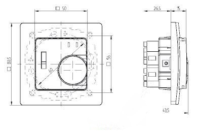
Терморегулятор EBERLE FRe 525 23 это электрическое устройство, с механическим регулятором температур, которое предназначено для контроля за работой теплого пола в обогреваемом помещении. Терморегулятор EBERLE FRe 525 23 имеет стандартные размеры для монтажа во встраиваемую коробку. На лицевой части терморегулятора расположен тумблер включения, колесо механического переключения температуры и светодиодные индикаторы, которые отражает работу системы обогрева (красный индикатор - режим контролера (обогрев включен), зеленый - включен экономный режим.
В комплект терморегулятора входит датчик температуры пола на проводе длиной 4 метра. Рабочий диапазон регулировки температуры от +10°C до +50°С , что соответствует цифровой шкале от 1 до 5 изображенной на колесе регулировки. Максимальная нагрузка на устройство 10 А, что позволяет подключить к нему теплый пол обогреваемой площадью до 12 м2. К терморегулятору EBERLE FRe 525 23 можно подключать внешний таймер для установки функции "ночной режим".
Терморегулятор EBERLE FRe 525 23 применяют для управления и контроля за теплым полом в жилых, административных, бытовых или производственных помещениях. Терморегулятор подключается к сети переменного тока в 220 В. Задача терморегулятора контролировать температуру нагрева поверхности пола и включать или отключать систему обогрева. Работа терморегулятора позволяет значительно сэкономить расход электроэнергии, при этом обеспечить постоянную работу системы обогрева.
| Прочие | ||
| Артикул | CN489 | |
| Производитель | Eberle | |
| Гарантия | 2 года | |
| Показывать ссылку на монтаж | 1 | |
| Длина провода датчика | 4 м (может быть увеличена до 50 м) | |
| Класс защиты | IP 30 | |
| Максимальный коммутируемый ток / нагрузка | 10 A - 2,300 Вт при 230 В | |
| Номинальное напряжение | 220-240 В, 50 Гц | |
| Размеры | 81 мм x 81 мм x 42 мм | |
| Температурный гистерезис (дифференциал) | +/-1°C | |
| Температурный уровень | от + 10°C до + 50 °C | |
| Тип датчика | F 193720 | |
| Тип термостата | механический терморегулятор | |
| Энергопотребление в обычном режиме | < / 0.2 Вт | |
|
2012-2026 © TeploMarket.net Наш адрес: г.Санкт-Петербург, Непокоренных 74 (вход со стороны проспекта)Посмотреть на карте |
+7 (812) 507-63-98
+7 (495) 128-34-85
Email: 24-7@teplomarket.net
|
Информация представленная на сайте не является публичной офертой, определяемой положениями Статьи 437(2) ГК РФ.
